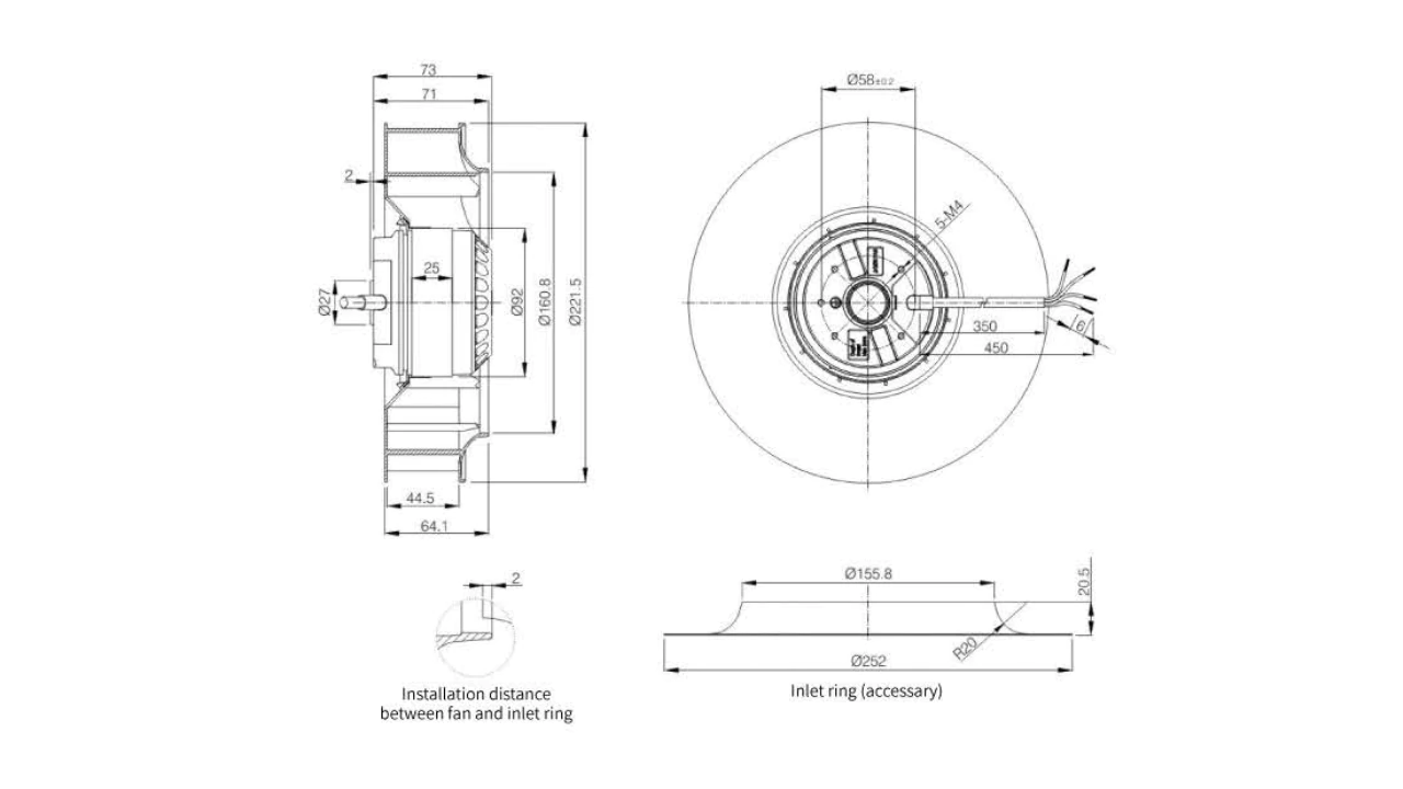
Motor structure: Outer rotor motor 92mm
Safety: Thermal protection
Operating system: High-precision double ball bearing
Withstand voltage: AC 1800V, at 0.5mA, 50/60Hz
Allowable ambient temperature and humidity: -25℃~75℃, 10%~80%
Insulation level: F(IEC61858 standard)
IP level: IP44
Weight: 1.80Kg
Material: Fan blade: PA nylon, 7 blades; Bearing: NSK ball bearing; Motor life: 60000 hours at 25℃