The Trusted Source for Durable Cooling Fans
Centrifugal Fan 225.63 Series

Centrifugal Fan 225.63 Series

225×63mm

Motor structure: Outer rotor motor 92mm

Safety: Thermal protection

Operating system: High-precision double ball bearing

Withstand voltage: AC 1800V, at 0.5mA, 50/60Hz

Allowable ambient temperature and humidity: -25℃~75℃, 10%~80%

Insulation level: F(IEC61858 standard)

IP level: IP44

Weight: 2.30Kg

Material: Fan blade: PA nylon, 7 blades; Bearing: NSK ball bearing; Motor life: 60000 hours at 25℃

Specifications
Model Frequency Current Voltage Power Speed Air Flow Air Volume Noise
V Hz A W RPM CFM m³/h dB
C2S-225.63C 115 50 1.18 130 2650 708 1200 68
60 1.53 168 2950 791 1340 71
C2E-225.63C 230 50 0.62 135 2650 708 1200 68
60 0.77 170 2950 791 1340 71
C2D-225.63C 400 50 0.34 120 2500 708 1200 68
60 0.44 180 2700 791 1340 71
C4E-225.63C 230 50 0.30 65 1480 419 710 61
60 0.37 80 1650 483 818 63
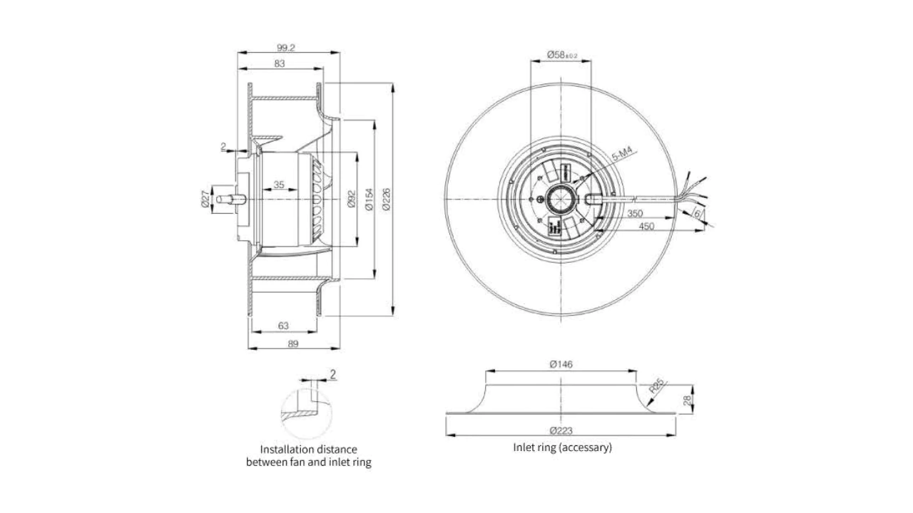
Engineering Drawing (mm)
linkwell cooling fan 1
Linkwell electric logo footer
Contact Us

Curious how LINKWELL’s cooling solutions can address your business challenges? Let’s connect and discuss your needs.